聚焦公司动态,解读选矿知识,剖析行业热点,分享选矿经验,我们将冰球突破动态及时呈现给您。在这里,您可以更深入、更全面地了解冰球突破矿装。
2023-03-08 来源:冰球突破矿装 (1963次浏览)
随着金矿不断的大规模开采,易浸的金矿资源日益枯竭,为了获取更有价值金矿资源,开采者已将目标转向难处理金矿资源方向,但在技术上难处理金矿石选矿难度较大,需先对其进行预处理。下面,小编将为大家讲解为何金矿石要进行预处理,及金矿石预处理方法。

一般需要进行预处理的金矿石,基本是难选型金矿石,如金矿中含砷、碳等杂质成分,浸出搅拌率低于80%。那么为何要进行预处理呢?其目的是将这些难处理的被包裹金粒裸露出来,便于后续的浸出作业。
1.通过预处理可使包裹金矿物的硫化物氧化,然后形成多孔状矿物,使氰化物溶液有机会与金粒接触;
2.可去除金中的砷、锑、有机碳等妨碍氰化浸出的杂质;
3.预处理能使难浸的碲化金矿变成易浸金矿。
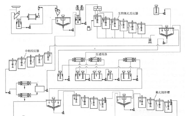
目前,选矿常见的金矿石预处理方法主要有:热压氧化工艺方法、焙烧氧化工艺方法和生物氧化工艺方法三种。
是利用空气(或富氧)在高压釜中进行热压氣化的过程。通过加温、充氧来破坏硫化矿及部分脉石矿物的晶体,使被包裹的金暴露出来,然后完成氧化浸出金,以获得金精矿。该方法的主要特点是黄铁矿和毒砂的氧化产物均可溶,金回收率较高;可直接处理原矿,对于不易浮选的金矿回收更有效;无烟气污染问题。

在高温下充气,使包裹金的硫化矿分解成多孔的氧化物,进而使金暴露,在浸出获得合格金。该方法该工艺处理速度快,适应性强,尤其是对含有机碳的矿石针对性强,可以综合回收砷、硫等伴生元素。

主要是利用自然界的微生物,优选出嗜硫、铁的沒矿菌株,经过适应性培养、驯化,在适宜的环境下,利用这些微生物新陈代谢的直接作用或代谢产物的间接作用,从而直接或间接氧化和分解硫化矿基体,将包裹金的黄铁矿、砷黄铁矿等有害成分破坏,使金充分暴露出来,从而为随后的氰化提金工艺创造有利的条件,实现髙效的回收。同时,在氧化过程中,矿石中对环境造成污染的有害元素砷、硫等分解成相对稳定的无害盐类物质,经中和沉淀后堆存,对环境及大气不产生污染。

以上便是金矿为何进行预处理及常见的几种金矿预处理方法的介绍。为获取更多金矿资源,不仅难处理金是一种,老旧尾矿中含金量高于3%以上时,也可进行投资回收。冰球突破矿装可针对各种金矿进行选矿试验,定制金矿选矿工艺方案、金矿选矿施工方案及成套金矿选矿设备,如有需求,欢迎咨询。
内容版权归冰球突破矿装所有
未经许可不可擅自使用如需转载文章
请联系我们授权
侵权必究!
锂云母是一种常见的含锂矿物,晶体呈板状,属云母类矿物,是提炼金属锂的重要原材料。锂云母遇酸不能溶解,但熔解之后能与酸发生反应,熔化过程中有泡沫出现并伴有深红色的锂焰。在选矿方面其流程主要体现在破碎、磨矿、除杂、选别、过滤等几个方面。下面我们一起来了解。
金矿具有非常高的开采价值,是世人赖以追求的财富。但金矿选矿工艺流程较为复杂,且选矿方法更是不尽相同。有人问小型金矿选矿设备都有哪些?这需要知道多大规模算小型金矿,工艺则需根据选矿工艺方案而定,目前金矿常见的选矿方法有浮选法、重选法和氰化法几种,那么下面就跟着小编一起来了解这几种金矿选矿设备及小型金矿规模吧?

您可以在下面表格填写您的需求信息,我们的技术与销售人员会尽快与您取得联系。为保证能及时处理您的信息,请务必准确填写您的联系电话!