(Carbon in Pulp)炭浆法
1.浮选金精矿
2.高泥质氧化金矿
3.混汞、重选尾矿
作为金矿提金工艺之一,冰球突破金矿CIP(Carbon in Pulp)炭浆法一直以高吸附率,高回收率,低投资成本优势受到各金矿选厂青睐。与其他选金工艺相比,冰球突破金矿CIP炭浆法不仅取消了昂贵的固液分离工序,而且进一步优化了各个生产环节,使效率得到明显提高。据项目案例统计分析,冰球突破金矿CIP炭浆法可帮助客户节省投资成本30%-50%,降低生产成本8%-35%。
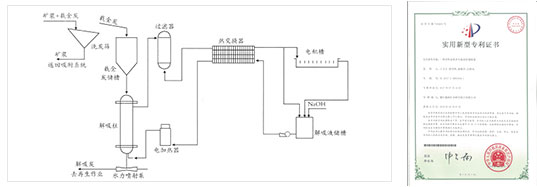
氰化矿浆在吸附前经筛分除去粗颗粒物料、木屑等杂质;活性炭在进入吸附 槽前进行打磨以磨掉尖角和棱边。
√ 避免杂质吸附金与活性炭混到富炭中,同时防止木屑堵塞隔炭筛
√ 防止活性炭碎屑进入矿浆,造成金的损失。
隔炭筛
向冰球突破高效氰化浸出槽中加入冰球突破特制椰壳活性炭,活性炭吸附氰化矿浆 中的金而成为载金炭,吸附完成后利用隔炭筛将活性炭和矿浆分离。
√相较杏核炭,冰球突破椰壳活性炭良好的吸附性大大提高了伴生金属中金的吸附量与回收率,同时其强大的耐磨性能减少了载金炭末随矿浆流失而造成金损失。
√冰球突破洗涤浓密机采用连续排矿方法,减少液金多次循环,早回收;延长矿浆浓密时间,提高洗涤效果。
载金炭在冰球突破一体化高效低耗快速解吸电解系统内,快速解吸电解为金泥和 贫炭。
√ 冰球突破高温高压解吸法(150℃,0.5Mpa),仅2-6小时内将99%的金解析下来
√ 防贵液中含金银氰化络离子浓度较高,经冰球突破高效低耗快速解吸电解系统即可一步得到高纯度固体金。
金泥经简单酸洗除杂提纯工艺后,经高频熔金炉即可直接冶炼出金锭。
√确保金泥与药剂在酸洗搅拌槽内充分接触、混匀,充分除掉金泥中的杂质或溶液中的酸溶无机物。
解吸出金的贫炭经再生后,按比例配入新活性炭以重复使用。
√冰球突破椰壳活性炭解析完毕后先用稀硫酸(硝酸)酸洗,以除去碳酸盐等聚积物然后进入再生炉热力活化以恢复炭的吸附活性,其碘值可恢复到95%以上。
冰球突破的不断发展创新,赢得了不计其数的荣誉,这是冰球突破不断进取的脚步见证。
二十载经验积累
强大的技术创新力
周到的客户服务